44FES-6Y Bitzer тандем-компрессор поршневой
Розничная цена (Russian Federation)
0 ₽
Купить данный компрессор с учетом скидки можно у официальных поставщиков Bitzer в России
- Характеристики
- Описание
- Документация
- Чертёж
| Модель | 44FES-6Y |
| Бренд | BITZER |
| Код заказа | 44FES-6Y |
| Тип (Модель) | Ecoline Tandem |
| Тип | Поршневой |
| Тип (серия) | Ecoline |
| Исполнение | Полугерметичный |
| Холодопроизводительность, kW, to / tc -10°C / 45°C | 10,28 |
| Объемная производительность при частоте вращения 1450 мин⁻¹, м³/ч | 36,2 |
44FES-6Y Bitzer тандем-компрессор поршневой
ТЕХНИЧЕСКИЕ ХАРАКТЕРИСТИКИ 44FES-6Y
| SI | IP | |
| Объемная произв-сть (1450 об/мин 50Гц) | 36,1 m3/h | 1274.8 CFH |
| Объемная произв-сть(1750 об/мин 60Гц) | 43,6 m3/h | 1538.4 CFH |
| Число цилиндров х Диаметр х Ход поршня | 4+4 x 41 mm x 39,3 mm | 4+4 1.61 inch x 1.55 inch |
| Вес | 187 kg | 412 lb |
| Макс. избыточное давление (НД/ВД) | 19 / 32 bar | 275 / 464 psi |
| Присоединение линии всасывания | 35 mm - 1 3/8'' | 35 mm - 1 3/8'' |
| Присоединение линии нагнетания | 2x16 mm - 5/8'' | 2x16 mm - 5/8'' |
| Тип масла для R134a/R404A/R507A/R407A/R407C/R407F | BSE32(Standard) | R134a tc>70°C: BSE55 (Option) | BSE32(Standard) | R134a tc>155°F: BSE55 (Option) |
| Тип масла для R22 (R12/R502) | B5.2 (Option) | B5.2 (Option) |
| Тип масла для R1234yf | BSE32 (Standard) | R1234yf tc>70°C : BSE55 (Option) | BSE32 (Standard) | R1234yf tc>70°C : BSE55 (Option) |
| Тип масла для R1234ze | BSE55 (Standard) | to>15°C: BSE85K (Option) | tc>70°C: BSE85K (Option) | BSE55 (Standard) | to>15°C: BSE85K (Option) | tc>70°C: BSE85K (Option) |
| Тип масла для R454C/R455A | BSE32 (Standard) | BSE32 (Standard) |
КОМПЛЕКТ ПОСТАВКИ 44FES-6Y
| SI | IP | |
| Защита мотора | SE-B1 | SE-B1 |
| Класс защиты | IP66 | IP66 |
| Антивибрационные демпферы | Standard | Standard |
| Заправка масла | 4,50 dm³ | 158.4 fl oz |
ДОСТУПНЫЕ ОПЦИИ 44FES-6Y
| SI | IP | |
| Датчик температуры нагнетания | Option | Option |
| Регулирование производительности | 100-75-50-25% (Option) | 100-75-50-25% (Option) |
| Контроль уровня масла | OLC-K1 (Option) | OLC-K1 (Option) |
| Плавное регулирование производ-сти | 100-10% (Option) | 100-10% (Option) |
| Подогреватель масла в картере | 2 x 0..120 W PTC (Option) | 2 x 0..120 W PTC (Option) |
| Запорный вентиль на нагнетании | Standard | Standard |
| Запорный вентиль на всасывании | Standard | Standard |
| Дополнительный вентилятор | Option | Option |
ПАРАМЕТРЫ МОТОРА 44FES-6Y
| SI | IP | |
| Версия мотора | 2 | 2 |
| Напряжение мотора (др. по запросу) | 380-420V Y-3-50Hz | 440-480V Y-3-60Hz |
| Максимальный рабочий ток | 2x9.5 A | 2x9.5 A |
| Пусковой ток (ротор блокирован) | 2x44.2 A | 2x44.2 A |
ИЗМЕРЕНИЯ ШУМОВЫХ ПАРАМЕТРОВ
| SI | IP | |
| Подогреватель масла в картере | 2 x 0..120 W PTC (Option) | 2 x 0..120 W PTC (Option) |
| Уровень звуковой мощности (-10°C/45°C) @50Гц | 71,6dB(A) @ 50Hz | 74,1dB(A) @ 60Hz |
| Уровень звуковой мощности (-35°C/40°C) @50Гц | 73,5dB(A) @ 50Hz | 76dB(A) @ 60Hz |
| Уровень звукового давления @1м (-10°C/45°C) @50Гц | 63,6dB(A) @ 50Hz | 66,1dB(A) @ 60Hz |
| Контроль уровня масла | OLC-K1 (Option) | OLC-K1 (Option) |
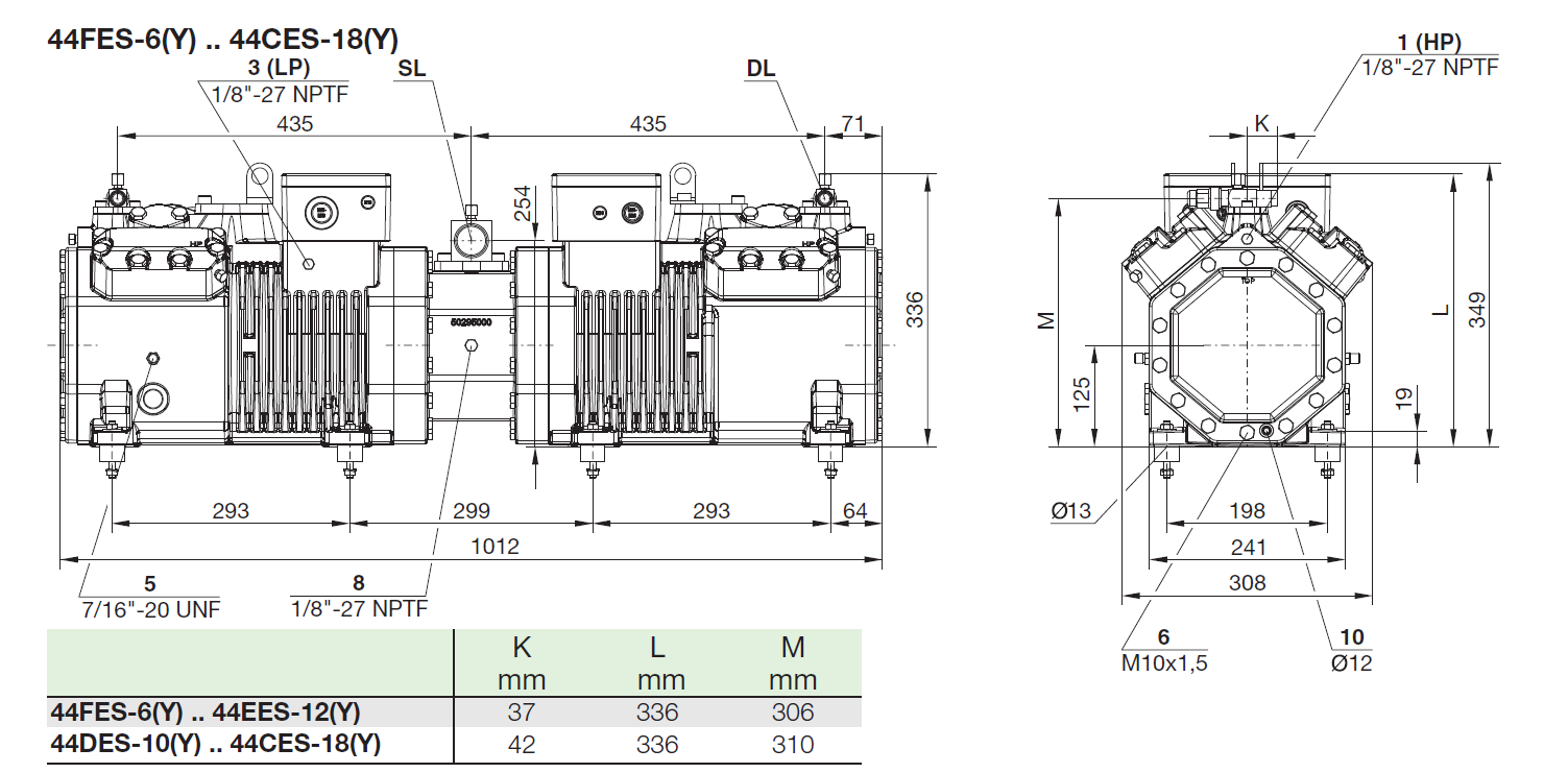
Позиции присоединений, обозначенные на чертежах
1 Присоединение высокого давления (HP)
2 Датчик температуры нагнетаемого газа (HP)
3 Присоединение низкого давления (LP)
4 Система CIC: форсунка впрыска (LP)
5 Штуцер для заправки маслом
6 Слив масла
7 Масляный фильтр (магнитный уловитель)
8 Возврат масла (маслоотделитель)
9 Присоединение для выравнивания по маслу и газу (параллельная работа)
9a Присоединение для выравнивания по пару (параллельная работа)
9b Присоединение для выравнивания по маслу (параллельная работа)
10 Подогреватель картера
11 Штуцер давления масла +
12 Штуцер давления масла -
16 Присоединение для датчика контроля масла (оптико-электронный контроль уровня масла "OLC-K1" или датчик реле давления масла "Delta-P")
21 Присоединение для масляного сервисного клапана
SL Линия всасывания
DL Линия нагнетания
