4PE-15Y-40P Bitzer компрессор поршневой
Розничная цена (Russian Federation)
0 ₽
Купить данный компрессор с учетом скидки можно у официальных поставщиков Bitzer в России
- Характеристики
- Описание
- Документация
- Чертёж
| Модель | 4PE-15-40P |
| Бренд | BITZER |
| Код заказа | 4PE-15-40P |
| Тип (Модель) | ECOLINE СЕ4 С МАСЛОНАСОСОМ |
| Тип | Поршневой |
| Тип (серия) | Ecoline |
| Исполнение | Полугерметичный |
| Заменяемый артикул, альтернативный или предыдущий код заказа | 4PE-15 |
| Индикатор влажности | да, нет |
4PE-15Y-40P Bitzer компрессор полугерметичный поршневой
Серия - ECOLINE СЕ4 С МАСЛОНАСОСОМТЕХНИЧЕСКИЕ ХАРАКТЕРИСТИКИ 4PE-15-40P
| Объемная произв-сть (1450 об/мин 50Гц) | 48,50 m3/h |
| Число цилиндров х Диаметр х Ход поршня | 4 x 65 mm x 42 mm |
| Вес | 150 kg |
| Макс. избыточное давление (НД/ВД) | 19 / 32 bar |
| Присоединение линии всасывания | 42 mm - 1 5/8'' |
| Присоединение линии нагнетания | 28 mm - 1 1/8'' |
| Тип масла для R134a/R404A/R507A/R407A/R407C/R407F | BSE32(Standard) | R134a tc>70°C: BSE55 (Option) |
| Тип масла для R22 (R12/R502) | B5.2(Option) |
| Тип масла для R1234yf/R1234ze | BSE32 (Standard) | R1234ze tc>70°C & to>0°C: BSE55 (Option) | R1234ze to>15°C: BSE85K (Option) |
КОМПЛЕКТ ПОСТАВКИ 4PE-15-40P
| Защита мотора | SE-B1, CM-RC-01(Option) |
| Класс защиты | IP66 |
| Антивибрационные демпферы | Standard |
| Заправка масла | 2,60 dm³ |
ДОСТУПНЫЕ ОПЦИИ 4PE-15-40P
| Сервисный масляный клапан | Option |
| Присоединение линии всасывания | Option |
| Запорный вентиль на нагнетании | Option |
| Плавное регулирование производ-сти | 100-10% (Option) |
| Подогреватель масла в картере | 0..140 W PTC (Option) |
| Датчик температуры нагнетания | Option |
| Стартовая разгрузка | Option |
| Регулирование производительности | 100-50% (Option) |
| Дополнительный вентилятор | Option |
ПАРАМЕТРЫ МОТОРА 4PE-15-40P
| Версия мотора | 1 |
| Пусковой ток (ротор блокирован) | 81.0 A Y / 132.0 A YY |
| Напряжение мотора (др. по запросу) | 380-420V PW-3-50Hz |
| Максимальный рабочий ток | 28.2 A |
ИЗМЕРЕНИЯ ШУМОВЫХ ПАРАМЕТРОВ
| Уровень звуковой мощности (+5°C/50°C) @50Гц | 75,0 dB(A) @50Hz |
| Уровень звуковой мощности (-10°C/45°C) @50Гц | 76,3 dB(A) @50Hz |
| Уровень звуковой мощности (-35°C/40°C) @50Гц | 79,9 dB(A) @50Hz |
| Уровень звукового давления @1м (+5°C/50°C) @50Гц | 67 dB(A) @50Hz |
| Уровень звукового давления @1м (-35°C/40°C) @50Гц | 71,9 dB(A) @50Hz |
| Уровень звуковой мощности (+5°C/50°C) @50Гц R134a | 73 dB(A) @50Hz |
| Контроль давления масла | MP54 (Option), Delta-PII |
| Уровень звукового давления @1м (-10°C/45°C) @50Гц | 68,3 dB(A) @50Hz |
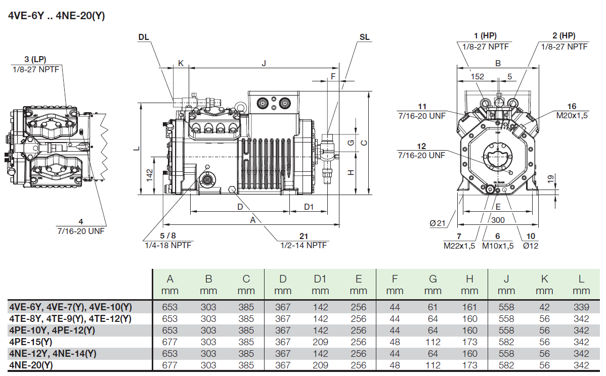
Позиции присоединений, обозначенные на чертежах
1 Присоединение высокого давления (HP)
2 Датчик температуры нагнетаемого газа (HP) или датчик системы CIC
3 Присоединение низкого давления (LP)
4 Система CIC: форсунка впрыска (LP)
5 Штуцер для заправки маслом
6 Слив масла
7 Масляный фильтр (магнитный уловитель)
8 Возврат масла (маслоотделитель)
9. Присоединение для выравнивания по маслу и газу (параллельная работа)
9a Присоединение для выравнивания по пару (параллельная работа)
9b Присоединение для выравнивания по маслу (параллельная работа)
10 Подогреватель картера
11 Штуцер давления масла +
12 Штуцер давления масла -
16 Присоединение для датчика контроля масла (оптико-электронный контроль уровня масла "OLC-K1" или датчик реле давления масла "Delta-P")
21 Присоединение для масляного сервисного клапана
SL Линия всасывания
DL Линия нагнетания
