Bitzer CSVH25-160Y винтовой компрессор
Розничная цена (Russian Federation)
0 ₽
Купить данный компрессор с учетом скидки можно у официальных поставщиков Bitzer в России
- Характеристики
- Описание
- Документация
- Чертёж
| Модель | CSVH25-160Y |
| Бренд | BITZER |
| Код заказа | CSVH25-160Y |
| Тип | Винтовой |
| Тип (серия) | CSVH |
| Режим работы | Среднетемпературный |
| Хладагент | HFC |
Bitzer CSVH25-160Y винтовой компрессор - с частотным регулированием.
Применение: Компактные винтовые компрессоры серии CSV от BITZER с интегрированным частотным преобразователем (IQ модуль) обеспечивают лучшую в своем классе сезонную эффективность. Встроенный частотный преобразователь позволяет очень точно поддерживать температуру системы и профиль загрузки с помощью очень широкого диапазона модулирования мощности.Исполнение CSVH: разработано для чиллеров для кондиционирования воздуха с воздушным охлаждением и для технологического охлаждения, а также для тепловых насосов
ТЕХНИЧЕСКИЕ ХАРАКТЕРИСТИКИ CSVH25-160Y
| SI | IP | |
| Тип масла для R134a | BSE170 (Standard) | BSE170 (Standard) |
| Объемная произв-сть (маx.скорость вращения вала компр-ра) | 580 m³/h | 20483 CFH |
| Объемная произв-сть (мin.скорость вращения вала компр-ра) | 110 m³/h | 3849 CFH |
| Вес | 750 kg | 1654 lb |
| Макс. избыточное давление (НД/ВД) | 15 / 24 bar | 218 / 348 psi |
| Присоединение линии всасывания | D105L - 4 1/8" (DN 100) | D105L - 4 1/8" (DN 100) |
| Присоединение линии нагнетания | D76L - 3 1/8" (DN 80) | D76L - 3 1/8" (DN 80) |
| Тип масла для R1234yf/R1234ze(E)/R450A/R513A | BSE170 (Standard) | BSE170 (Standard) |
КОМПЛЕКТ ПОСТАВКИ КОМПРЕССОРА CSVH25-160Y
| SI | IP | |
| Класс защиты | IP54 | IP54 |
| Плавное регулирование производ-сти | 100-20% | 100-20% |
| Заправка масла | 18 dm³ | 634 fl oz |
| Подогреватель масла | 200 W (Standard) | 200 W (Standard) |
| Маслоотделитель | Standard | Standard |
| Масляный фильтр | Standard | Standard |
| Датчик температуры нагнетания | Standard | Standard |
| Стартовая разгрузка | Standard (FI) | Standard (FI) |
| Встроеный обратный клапан | Standard | Standard |
| Защита мотора | Standard (FI) | Standard (FI) |
| Автоматический контроль пределов области допустимого применения | Standard (FI) | Standard (FI) |
| Мониторинг сбоев в электросистеме | Standard (FI) | Standard (FI) |
| Датчик уровня масла | min OLC-D1-S (Standard) | min OLC-D1-S (Standard) |
ДОСТУПНЫЕ ОПЦИИ ДЛЯ МОДЕЛИ CSVH25-160Y
| SI | IP | |
| Мотор с ротором с постоянными магнитами | Option | Option |
| с шумогасящим кожухом | Option | Option |
| Сетевой дроссель | Option | Option |
| Датчик уровня масла | max OLC-D1-S (Option) | max OLC-D1-S (Option) |
| Адаптер для внешнего маслоохладителя | Option | Option |
| Подогреватель масла | 200 W, 115 V (Option) | 200 W, 115 V (Option) |
| Запорный вентиль на нагнетании | Option | Option |
| Запорный вентиль на всасывании | Option | Option |
| Запорный вентиль на линии экономайзера с шумоглушителем | Option | Option |
| Впрыск жидкости со встроенным соплом | Option | Option |
| Антивибрационные демпферы | Option | Option |
| Фильтр радиочастотных помех | Option | Option |
| Присоединение линии всасывания | DN125 | DN125 |
| BEST конвертер | Option | Option |
ПАРАМЕТРЫ МОТОРА КОМПРЕССОРА CSVH25-160Y
| SI | IP | |
| Напряжение мотора (др. по запросу) | 400V -50Hz | 460V -60Hz UL |
| Пусковой ток (ротор блокирован) | <20.0 A | <20.0 A |
| Максимальный рабочий ток | 260.0 A | 225.0 A |
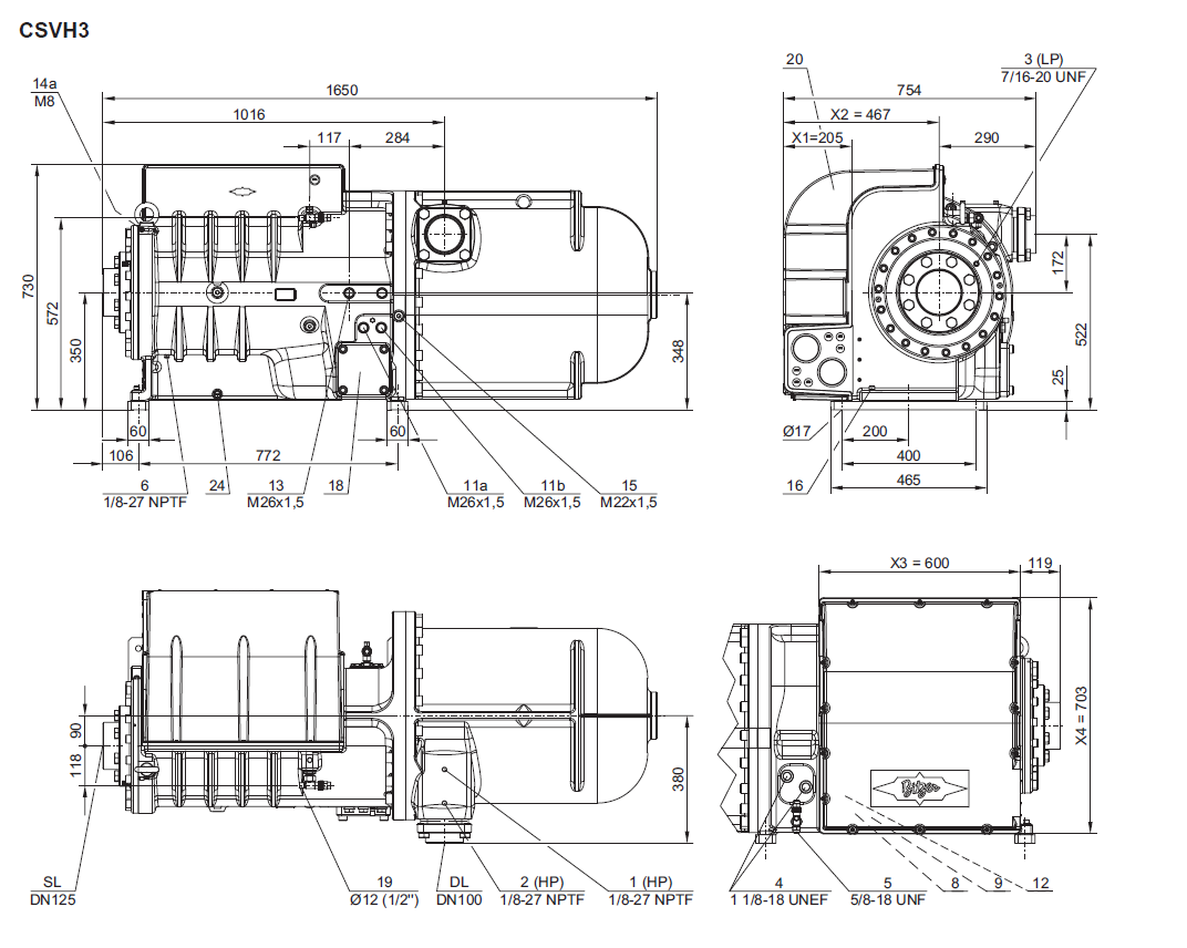
Позиции присоединений, обозначенные на чертежах
1 Присоединение высокого давления (HP)
2 Дополнительное присоединение высокого давления
3 Присоединение низкого давления (LP)
4 Смотровое стекло уровня масла
5 Сервисный масляный клапан (стандарт) / присоединение для выравнивания уровня масла (параллельная работа)
6 Слив масла (корпус мотора)
8 Присоединение для опционального оптико-электронного реле уровня масла (OLC-D1-S)
9 Подогреватель масла в гильзе
10 Присоединение давления масла
11 Присоединение для внешнего маслоохладителя (опциональный адаптер)
12 Датчик температуры масла (PTC)
13 Присоединение для экономайзера (ECO) - опциональный запорный клапан с гасителем пульсаций
14 Резьба для поддерживающей скобы трубопровода (линия для ECO или LI)
15 Присоединение для впрыска жидкости (LI) - опциональный запорный клапан
16 Винт заземления для корпуса
SL Линия всасывания
DL Линия нагнетания
