Bitzer CSW10593-400(Y) винтовой компрессор
Розничная цена (Russian Federation)
0 ₽
Купить данный компрессор с учетом скидки можно у официальных поставщиков Bitzer в России
- Характеристики
- Описание
- Документация
- Чертёж
| Модель | CSW10593-400(Y) |
| Бренд | BITZER |
| Код заказа | CSW10593-400(Y) |
| Тип | Винтовой |
| Тип (серия) | CSW |
| Режим работы | Низкотемпературный |
| Хладагент | HFC |
| Заменяемый артикул, альтернативный или предыдущий код заказа | CSW10593-400 |
Bitzer CSW10593-400(Y) винтовой компрессор в стандартной комплектации:
ТЕХНИЧЕСКИЕ ХАРАКТЕРИСТИКИ CSW10593-400(Y)
| SI | IP | |
| Тип масла для R134a | BSE170-L (Standard) | BSE170-L (Standard) |
| Объемная произв-сть (2900об/мин 50 Гц) | 2000 m³/h | 70630 CFH |
| Объемная произв-сть (3500об/мин 60 Гц) | 2414 m³/h | 85250 CFH |
| Вес | 1900 kg | 4190 lb |
| Макс. избыточное давление (НД/ВД) | 16 / 21 bar | 232 / 305 psi |
| Присоединение линии всасывания | DN 200 | 7 7/8'' |
| Присоединение линии нагнетания | DN 150 | 7 7/8'' |
| Тип масла для R1234yf/R1234ze(E)/R450A/R513A | BSE170-L (Standard) | BSE170-L (Standard) |
КОМПЛЕКТ ПОСТАВКИ КОМПРЕССОРА CSW10593-400(Y)
| SI | IP | |
| Класс защиты | IP54 | IP54 |
| Плавное регулирование производ-сти | 100-25% (Automatic Controll) | 100-25% (Automatic Controll) |
| Заправка масла | 32,0 dm³ | 1126 fl oz |
| Антивибрационные демпферы | Standard | Standard |
| Подогреватель масла | 300 W (Standard) | 300 W (Standard) |
| Маслоотделитель | Standard | Standard |
| Масляный фильтр | Standard | Standard |
| Датчик температуры нагнетания | Standard | Standard |
| Стартовая разгрузка | Standard | Standard |
| Встроеный обратный клапан | Standard | Standard |
| Защита мотора | CM-SW-01 (Standard) | CM-SW-01 (Standard) |
ДОСТУПНЫЕ ОПЦИИ ДЛЯ МОДЕЛИ CSW10593-400(Y)
| SI | IP | |
| Датчик уровня масла | min OLC-D1-S (Standard) / max OLC-D1-S (Option) | min OLC-D1-S (Standard) / max OLC-D1-S (Option) |
| Запорный вентиль на линии экономайзера с шумоглушителем | Option | Option |
| Мостики для прямого старта | Option | Option |
| Запорный вентиль на нагнетании | Option | Option |
| Запорный вентиль на всасывании | Option | Option |
| Антивибрационные демпферы | Option | Option |
ПАРАМЕТРЫ МОТОРА КОМПРЕССОРА CSW10593-400(Y)
| SI | IP | |
| Напряжение мотора (др. по запросу) | 380-415V D-3-50Hz | 440-480V D-3-60Hz |
| Максимальный рабочий ток | 629.0 A | 629.0 A |
| Пусковой ток (ротор блокирован) | 965.0 A Y / 3007.0 A D | 965.0 A Y / 3007.0 A D |
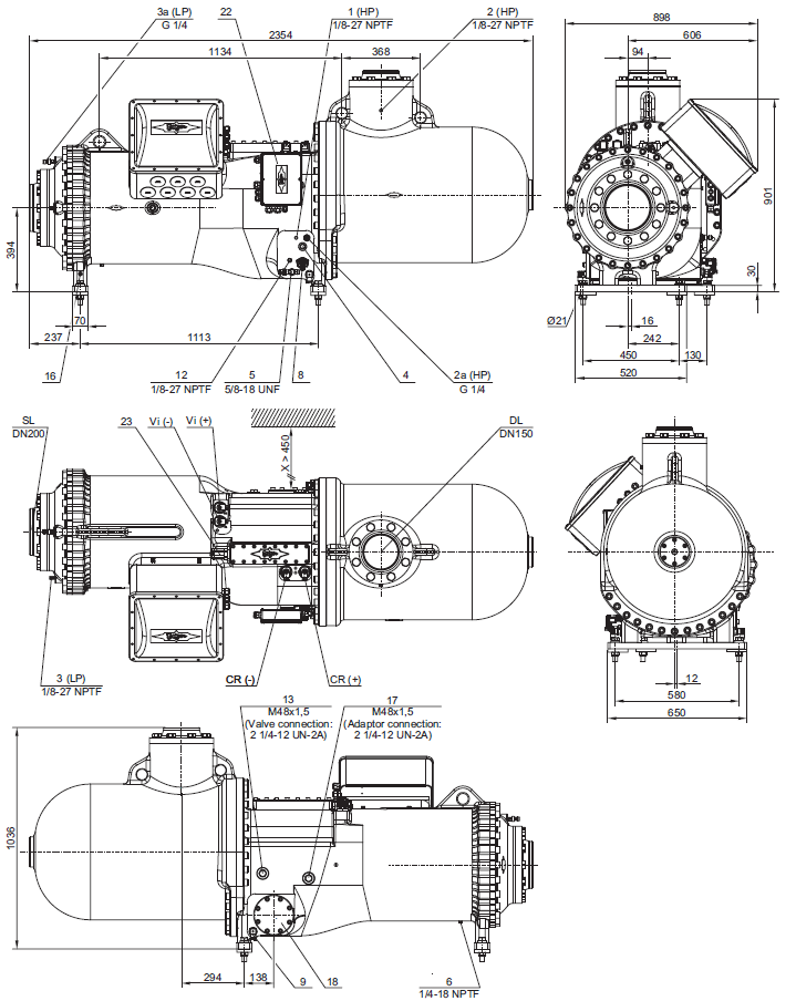
Позиции присоединений, обозначенные на чертежах
1 Присоединение высокого давления (HP)
2 Дополнительное присоединение высокого давления
2a Присоединение для датчика высокого давления (HP)
3 Присоединение низкого давления (LP)
3a Присоединение для датчика низкого давления (LP)
4 Смотровое стекло уровня масла
5 Сервисный масляный клапан (стандарт) / присоединение для выравнивания уровня масла (параллельная работа)
6 Слив масла (корпус мотора)
8 Присоединение для опционального оптико-электронного реле уровня масла (OLC-D1-S)
9 Подогреватель масла в гильзе
10 Присоединение давления масла
11 Присоединение для внешнего маслоохладителя (опциональный адаптер)
11a Выход на внешний маслоохладитель
11b Вход (возврат) от внешнего маслоохладителя
12 Датчик температуры масла (PTC)
13 Присоединение для экономайзера (ECO) - опциональный запорный клапан с гасителем пульсаций
14 Резьба для поддерживающей скобы трубопровода (линия для ECO или LI)
15 Присоединение для впрыска жидкости (LI) - опциональный запорный клапан
16 Винт заземления для корпуса
17 Подключение для возврата масла и газа (для переходника при использования в системах с затопленным испарителем)
18 Масляный фильтр (для обслуживания)
19 Жидкий хладагент (FI - Freequency inverter cooling)
20 Freequency Inverter (FI)
21 Клапан впрыска масла (внутр)
22 Компрессорный модуль
SL Линия всасывания
DL Линия нагнетания
