Bitzer CSW9563-140Y-40D винтовой компрессор (опции: 1xOLC 230v//VD//BSE170L)
Розничная цена (Russian Federation)
0 ₽
Купить данный компрессор с учетом скидки можно у официальных поставщиков Bitzer в России
- Характеристики
- Описание
- Документация
- Чертёж
| Модель | CSW9563-140Y-40D |
| Бренд | BITZER |
| Код заказа | CSW9563-140Y-40D |
| Тип | Винтовой |
| Тип (серия) | CSW |
| Режим работы | Низкотемпературный |
| Хладагент | HFC |
Компрессор полугерметичный винтовой компактный CSW9563-140Y-40D в комплектации:
BSE170L - заправка полуэфирным маслом Bitzer BSE170L / Ester Oil Charge BSE170L1xOLC 230v - Оптико-Электронный Контроль Минимального уровня OLC-D1-S (230в, 1-50/60 Гц) /Opto Electronic Oil Level Control Minimum OLC-D1-S (230V, 1-50/60 Hz)
VD - Комплект виброопор / Vibration Dampers
ТЕХНИЧЕСКИЕ ХАРАКТЕРИСТИКИ CSW9563-140Y-40D
| SI | IP | |
| Тип масла для R134a | BSE170-L (Standard) | BSE170-L (Standard) |
| Объемная произв-сть (2900об/мин 50 Гц) | 615 m³/h | 21719 CFH |
| Объемная произв-сть (3500об/мин 60 Гц) | 742 m³/h | 26219 CFH |
| Вес | 1280 kg | 2822 lb |
| Макс. избыточное давление (НД/ВД) | 19 / 28 bar | 275 / 400 psi |
| Присоединение линии всасывания | DN 100 | 4 1/8'' |
| Присоединение линии нагнетания | DN 100 | 4 1/8'' |
| Тип масла для R1234yf/R1234ze(E)/R450A/R513A | BSE170-L (Standard) | BSE170-L (Standard) |
КОМПЛЕКТ ПОСТАВКИ КОМПРЕССОРА CSW9563-140Y-40D
| SI | IP | |
| Класс защиты | IP54 | IP54 |
| Заправка масла | 30,0 dm³ | 1055 fl oz |
| Подогреватель масла | 300 W (Standard) | 300 W (Standard) |
| Маслоотделитель | Standard | Standard |
| Масляный фильтр | Standard | Standard |
| Датчик температуры нагнетания | Standard | Standard |
| Стартовая разгрузка | Standard | Standard |
| Регулирование производ-сти 4-х-ступ. | 100-75-50-25% (Standard) | 100-75-50-25% (Standard) |
| Плавное регулирование производ-сти | 100-25% (Standard) | 100-25% (Standard) |
| Встроеный обратный клапан | Standard | Standard |
| Защита мотора | SE-E1 (Standard), SE-E3(Standard for 660-690V) | SE-E1 (Standard), SE-E3(Standard for 660-690V) |
ДОСТУПНЫЕ ОПЦИИ ДЛЯ МОДЕЛИ CSW9563-140Y-40D
| SI | IP | |
| Датчик уровня масла | min / max OLC-D1-S (Option) | min / max OLC-D1-S (Option) |
| Запорный вентиль на нагнетании | Option | Option |
| Мостики для прямого старта | Option | Option |
| Антивибрационные демпферы | Option | Option |
| Запорный вентиль на всасывании | Option | Option |
| Запорный вентиль на линии экономайзера с шумоглушителем | Option | Option |
| Защита мотора | SE-i1 (200-690V) | SE-i1 (200-690V) |
ПАРАМЕТРЫ МОТОРА КОМПРЕССОРА CSW9563-140Y-40D
| SI | IP | |
| Напряжение мотора (др. по запросу) | 380-415V D-3-50Hz | 440-480V D-3-60Hz UL |
| Пусковой ток (ротор блокирован) | 318.0 A Y / 1182.0 A D | 382.0 A Y / 1199.0 A D |
| Максимальный рабочий ток | 233.0 A | 233.0 A |
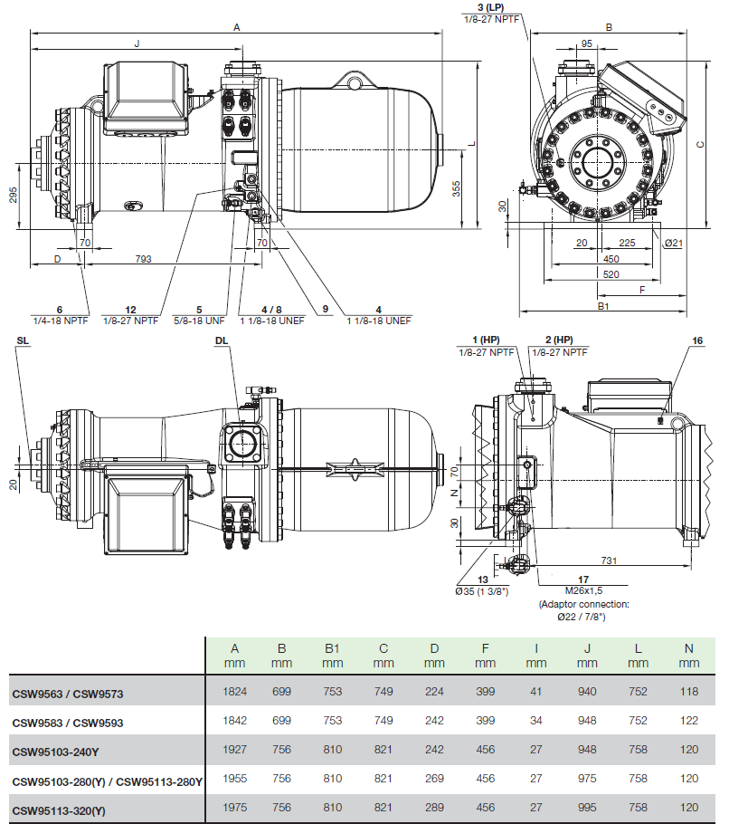
Позиции присоединений, обозначенные на чертежах
1 Присоединение высокого давления (HP)
2 Дополнительное присоединение высокого давления
3 Присоединение низкого давления (LP)
4 Смотровое стекло уровня масла
5 Сервисный масляный клапан (стандарт) / присоединение для выравнивания уровня масла (параллельная работа)
6 Слив масла (корпус мотора)
8 Присоединение для опционального оптико-электронного реле уровня масла (OLC-D1-S)
9 Подогреватель масла в гильзе
10 Присоединение давления масла
11 Присоединение для внешнего маслоохладителя (опциональный адаптер)
12 Датчик температуры масла (PTC)
13 Присоединение для экономайзера (ECO) - опциональный запорный клапан с гасителем пульсаций
14 Резьба для поддерживающей скобы трубопровода (линия для ECO или LI)
15 Присоединение для впрыска жидкости (LI) - опциональный запорный клапан
16 Винт заземления для корпуса
17 Подключение для возврата масла и газа (для переходника при использования в системах с затопленным испарителем)
SL Линия всасывания
DL Линия нагнетания
