Bitzer HSK6461-60 винтовой компрессор
Розничная цена (Russian Federation)
0 ₽
Купить данный компрессор с учетом скидки можно у официальных поставщиков Bitzer в России
- Характеристики
- Описание
- Документация
- Чертёж
| Модель | HSK6461-60Y-40P |
| Бренд | BITZER |
| Код заказа | HSK6461-60Y-40P |
| Тип | Винтовой |
| Тип (серия) | HSK |
| Режим работы | Среднетемпературный |
| Хладагент | HFC |
HSK6461-60 Компрессор полугерметичный винтовой
ТЕХНИЧЕСКИЕ ХАРАКТЕРИСТИКИ HSK6461-60Y-40P
| SI | IP | |
| Объемная произв-сть (2900об/мин 50 Гц) | 165 m³/h | 97 CFM |
| Объемная произв-сть (3500об/мин 60 Гц) | 198 m³/h | 117 CFM |
| Вес | 246 kg | 542 lb |
| Макс. избыточное давление (НД/ВД) | 19 / 28 bar | 275 / 400 psi |
| Присоединение линии всасывания | 54 mm - 2 1/8'' | 54 mm - 2 1/8'' |
| Присоединение линии нагнетания | 42 mm - 1 5/8'' | 42 mm - 1 5/8'' |
| Адаптер/запорный вентиль для ЕСО | 22 mm - 7/8'' (Option) | 22 mm - 7/8'' (Option) |
| Адаптер для впрыскивания жидкости | 16 mm - 5/8'' (Option) | 16 mm - 5/8'' (Option) |
| Тип масла для R22 | B150SH, B100 (Option) | B150SH, B100 (Option) |
| Тип масла для R134a/R404A/R507A/R407A/R407F | BSE170 (Option) | BSE170 (Option) |
| Тип масла для R448A/R449A | BSE170 (Option) | BSE170 (Option) |
КОМПЛЕКТ ПОСТАВКИ КОМПРЕССОРА HSK6461-60Y-40P
| SI | IP | |
| Класс защиты | IP54 | IP54 |
| Датчик температуры нагнетания | Standard | Standard |
| Стартовая разгрузка | Standard | Standard |
| Контроль расхода масла | SE-B2 (Standard) | SE-B2 (Standard) |
| Защита мотора | SE-E1 (Standard), SE-E3 (Standard for 660-690V) | SE-E1 (Standard), SE-E3 (Standard for 660-690V) |
| Запорный вентиль на всасывании | Standard | Standard |
| Регулирование производительности | 100-75-50% (Standard) | 100-75-50% (Standard) |
ДОСТУПНЫЕ ОПЦИИ ДЛЯ МОДЕЛИ HSK6461-60Y-40P
| SI | IP | |
| Запорный вентиль на нагнетании | Option | Option |
| ЕСО-присоединение с запорным вентилем | Option | Option |
| Защита мотора | SE-i1 (200-690V) | SE-i1 (200-690V) |
ПАРАМЕТРЫ МОТОРА КОМПРЕССОРА HSK6461-60Y-40P
| SI | IP | |
| Напряжение мотора (др. по запросу) | 380-415V PW-3-50Hz | 440-480V PW-3-60Hz UL |
| Максимальный рабочий ток | 98.0 A | 98.0 A |
| Пусковой ток (ротор блокирован) | 267.0 A D / 449.0 A DD | 267.0 A D / 449.0 A DD |
ИЗМЕРЕНИЯ ШУМОВЫХ ПАРАМЕТРОВ - МОДЕЛЬ HSK6461-60Y-40P
| SI | IP | |
| Уровень звуковой мощности (-10°C/45°C) @50Гц | 87,0 dB(A) | 89.0 dB(A) |
| Уровень звукового давления @1м (-10°C/45°C) @50Гц | 79,0 dB(A) | 81.0 dB(A) |
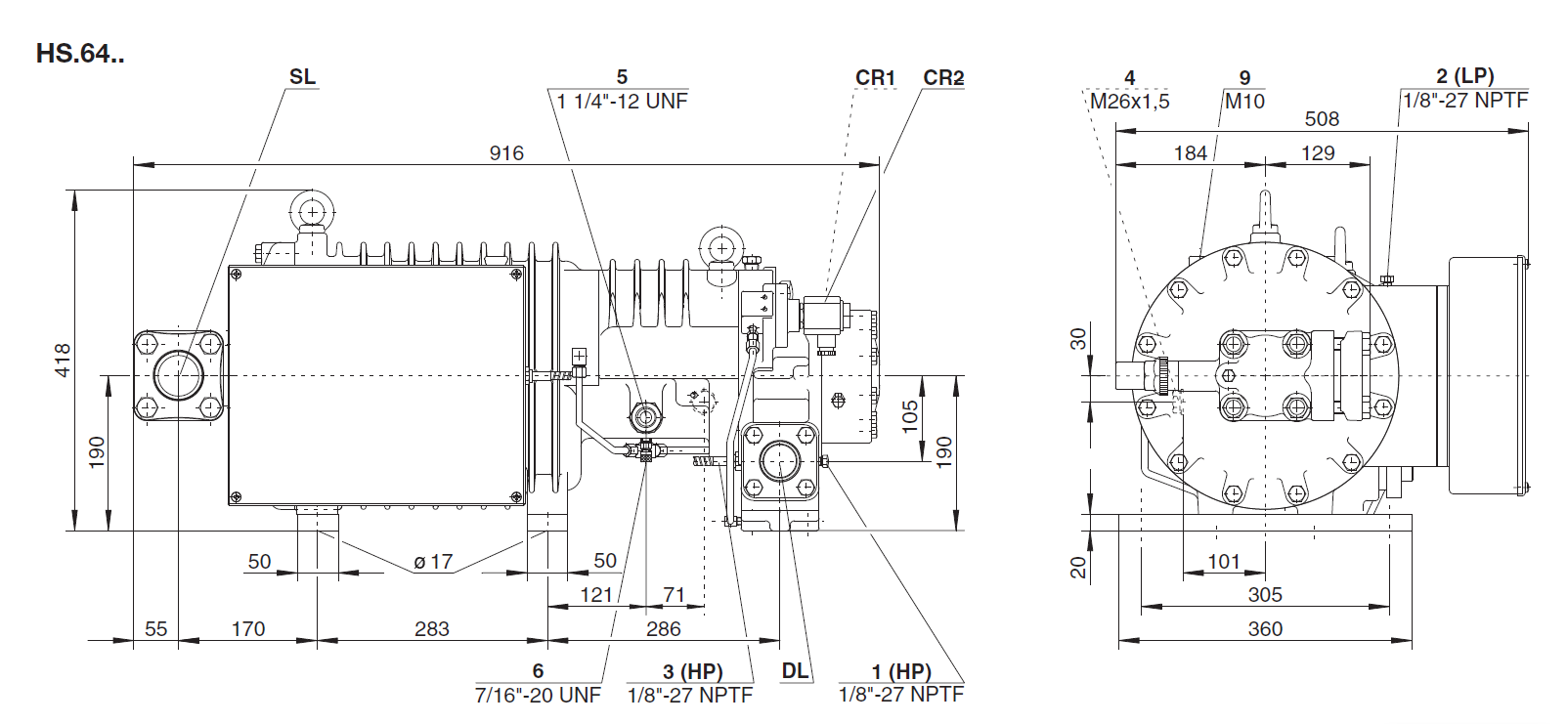
Позиции присоединений, обозначенные на чертежах
1 Присоединение высокого давления (HP)
2 Присоединение низкого давления (LP)
3 Датчик температуры нагнетаемого газа
4 Экономайзер (ECO) или впрыск жидкости (LI)
5 Впрыск масла
6 Штуцер давления масла
7 Слив масла (корпус мотора)
8 -
9 Резьбовое отверстие для крепления трубопровода (линия экономайзера или впрыска жидкости)
SL Линия всасывания
DL Линия нагнетания
