Bitzer HSK8551-110-40P винтовой компрессор (SSV D108L // DSV D76L // VD)
Розничная цена (Russian Federation)
0 ₽
Купить данный компрессор с учетом скидки можно у официальных поставщиков Bitzer в России
- Характеристики
- Описание
- Документация
- Чертёж
| Модель | HSK8551-110-40P |
| Бренд | BITZER |
| Код заказа | HSK8551-110-40P |
| Тип | Винтовой |
| Тип (серия) | HSK |
| Режим работы | Среднетемпературный |
| Хладагент | HFC |
| Заменяемый артикул, альтернативный или предыдущий код заказа | HSK8551-110 |
Компрессор полугерметичный винтовой Bitzer HSK8551-110-40P в комплектации:
SSV D108L - Запорный вентиль на всасывании / Suction Shut-off Valve D108L-4 1/4"DSV D76L - Запорный вентиль на нагнетании / Discharge Shut-off Valve D76L-3 1/8"
VD - Комплект виброопор / Vibration Dampers
Bitzer HSK8551-110 Компрессор полугерметичный винтовой
ТЕХНИЧЕСКИЕ ХАРАКТЕРИСТИКИ HSK8551-110-40P
| SI | IP | |
| Объемная произв-сть (2900об/мин 50 Гц) | 315 m³/h | 11131 CFH |
| Объемная произв-сть (3500об/мин 60 Гц) | 380 m³/h | 13428 CFH |
| Вес | 565 kg | 1246 lb |
| Макс. избыточное давление (НД/ВД) | 19 / 28 bar | 275 / 400 psi |
| Присоединение линии всасывания | DN 100 | ODS 4 1/8'' |
| Присоединение линии нагнетания | 76 mm - 3 1/8'' | 76 mm - 3 1/8'' |
| Адаптер/запорный вентиль для ЕСО | 28 mm - 1 1/8'' (Option) | 28 mm - 1 1/8'' (Option) |
| Адаптер для впрыскивания жидкости | 22 mm - 7/8'' (Option) | 22 mm - 7/8'' (Option) |
| Тип масла для R22 | B150SH, B100 (Option) | B150SH, B100 (Option) |
| Тип масла для R134a/R404A/R507A/R407A/R407F | BSE170 (Option) | BSE170 (Option) |
| Тип масла для R448A/R449A | BSE170 (Option) | BSE170 (Option) |
КОМПЛЕКТ ПОСТАВКИ КОМПРЕССОРА HSK8551-110-40P
| SI | IP | |
| Класс защиты | IP54 | IP54 |
| Датчик температуры нагнетания | Standard | Standard |
| Стартовая разгрузка | Standard | Standard |
| Контроль расхода масла | SE-B2 (Standard) | SE-B2 (Standard) |
| Защита мотора | SE-E1 + SE-B2 (Standard), SE-E3 (Standard for 660-690V) | SE-E1 + SE-B2 (Standard), SE-E3 (Standard for 660-690V) |
| Регулирование производительности | 100-75-50% or 100-50% (Standard) | 100-75-50% or 100-50% (Standard) |
ДОСТУПНЫЕ ОПЦИИ ДЛЯ МОДЕЛИ HSK8551-110-40P
| SI | IP | |
| Запорный вентиль на всасывании | Option | Option |
| Запорный вентиль на нагнетании | Option | Option |
| ЕСО-присоединение с запорным вентилем | Option | Option |
| Защита мотора | SE-i1 (200-690V) | SE-i1 (200-690V) |
ПАРАМЕТРЫ МОТОРА КОМПРЕССОРА HSK8551-110-40P
| SI | IP | |
| Напряжение мотора (др. по запросу) | 380-415V PW-3-50Hz | 440-480V PW-3-60Hz UL |
| Максимальный рабочий ток | 180.0 A | 180.0 A |
| Пусковой ток (ротор блокирован) | 520.0 A D / 801.0 A DD | 465.0 A D / 738.0 A DD |
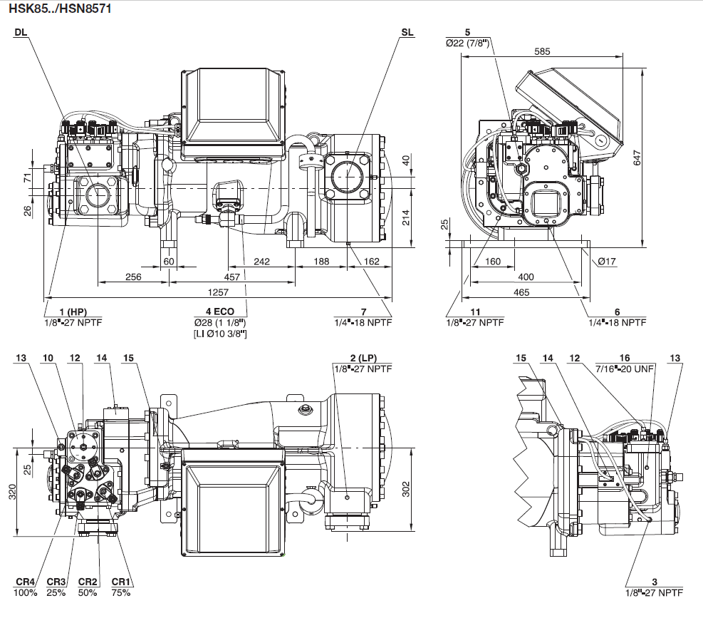
Позиции присоединений, обозначенные на чертежах
1 Штуцер высокого давления (HP)
2 Штуцер низкого давления (LP)
3 Датчик температуры нагнетания (HP)
4 Экономайзер (ECO) с трубкой присоединения (опция)
5 Впрыск масла
6 Пробка слива масла (корпус компрессора)
7 Пробка слива масла (корпус эл. двигателя)
10 Масляный фильтр
11 Пробка слива масла из фильтра
12 Контроль автоматического масляного клапана
13 Контроль масляного фильтра
14 Реле протока масла
15 Болт заземления корпуса
16 Сброс давления из камеры масляного фильтра
SL Линия всасывания газа
DL Линия нагнетания газа
