Bitzer HSK8561-90-40P винтовой компрессор
Розничная цена (Russian Federation)
2 548 298 ₽
Купить данный компрессор с учетом скидки можно у официальных поставщиков Bitzer в России
- Характеристики
- Описание
- Документация
- Чертёж
| Модель | HSK8561-90-40P |
| Бренд | BITZER |
| Код заказа | HSK8561-90-40P |
| Тип | Винтовой |
| Тип (серия) | HSK |
| Режим работы | Среднетемпературный |
| Хладагент | HFC |
| Вид упаковки | Коробка (картон с деревянным поддоном) |
| Заменяемый артикул, альтернативный или предыдущий код заказа | HSK8561-90 |
Bitzer HSK8561-90-40P Компрессор полугерметичный винтовой
ТЕХНИЧЕСКИЕ ХАРАКТЕРИСТИКИ HSK8561-90-40P
| SI | IP | |
| Объемная произв-сть (2900об/мин 50 Гц) | 359 m³/h | 12686 CFH |
| Объемная произв-сть (3500об/мин 60 Гц) | 433 m³/h | 15300 CFH |
| Вес | 560 kg | 1235 lb |
| Макс. избыточное давление (НД/ВД) | 19 / 28 bar | 275 / 400 psi |
| Присоединение линии всасывания | DN 100 | ODS 4 1/8'' |
| Присоединение линии нагнетания | 76 mm - 3 1/8'' | 76 mm - 3 1/8'' |
| Адаптер/запорный вентиль для ЕСО | 28 mm - 1 1/8'' (Option) | 28 mm - 1 1/8'' (Option) |
| Адаптер для впрыскивания жидкости | 22 mm - 7/8'' (Option) | 22 mm - 7/8'' (Option) |
| Тип масла для R22 | B150SH (Option) | B150SH (Option) |
| Тип масла для R134a/R404A/R507A/R407A/R407F | BSE170 (Option) | BSE170 (Option) |
| Тип масла для R448A/R449A | BSE170 (Option) | BSE170 (Option) |
КОМПЛЕКТ ПОСТАВКИ КОМПРЕССОРА HSK8561-90-40P
| SI | IP | |
| Класс защиты | IP54 | IP54 |
| Датчик температуры нагнетания | Standard | Standard |
| Стартовая разгрузка | Standard | Standard |
| Контроль расхода масла | SE-B2 (Standard) | SE-B2 (Standard) |
| Защита мотора | SE-E1 + SE-B2 (Standard), SE-E3 (Standard for 660-690V) | SE-E1 + SE-B2 (Standard), SE-E3 (Standard for 660-690V) |
| Регулирование производительности | 100-75-50% or 100-50% (Standard) | 100-75-50% or 100-50% (Standard) |
ДОСТУПНЫЕ ОПЦИИ ДЛЯ МОДЕЛИ HSK8561-90-40P
| SI | IP | |
| Запорный вентиль на всасывании | Option | Option |
| Запорный вентиль на нагнетании | Option | Option |
| ЕСО-присоединение с запорным вентилем | Option | Option |
| Защита мотора | SE-i1 (200-690V) | SE-i1 (200-690V) |
ПАРАМЕТРЫ МОТОРА КОМПРЕССОРА HSK8561-90-40P
| SI | IP | |
| Напряжение мотора (др. по запросу) | 380-415V PW-3-50Hz | 440-480V PW-3-60Hz UL |
| Максимальный рабочий ток | 155.0 A | 155.0 A |
| Пусковой ток (ротор блокирован) | 439.0 A D / 675.0 A DD | 396.0 A D / 629.0 A DD |
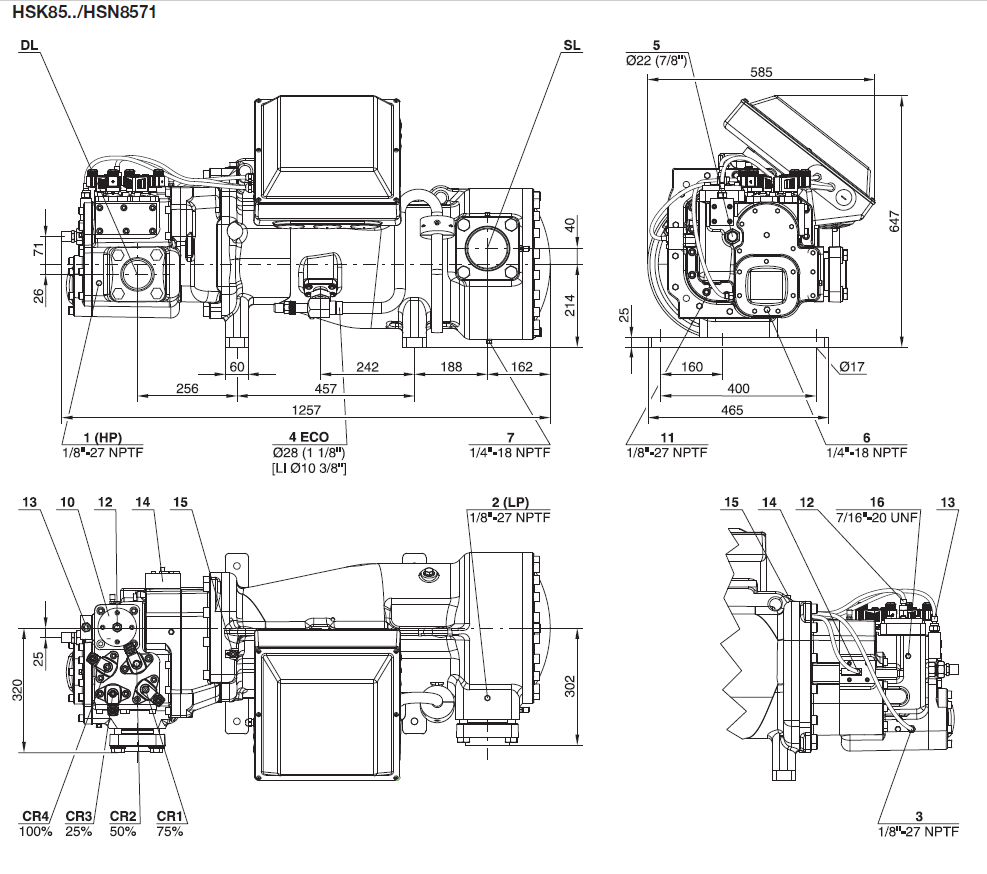
Позиции присоединений, обозначенные на чертежах
1 Штуцер высокого давления (HP)
2 Штуцер низкого давления (LP)
3 Датчик температуры нагнетания (HP)
4 Экономайзер (ECO) с трубкой присоединения (опция)
5 Впрыск масла
6 Пробка слива масла (корпус компрессора)
7 Пробка слива масла (корпус эл. двигателя)
10 Масляный фильтр
11 Пробка слива масла из фильтра
12 Контроль автоматического масляного клапана
13 Контроль масляного фильтра
14 Реле протока масла
15 Болт заземления корпуса
16 Сброс давления из камеры масляного фильтра
SL Линия всасывания газа
DL Линия нагнетания газа
