Bitzer HSN6451-40-40P винтовой компрессор (опции - DSV D42// ECO ASV)
Розничная цена (Russian Federation)
1 439 930 ₽
Купить данный компрессор с учетом скидки можно у официальных поставщиков Bitzer в России
- Характеристики
- Описание
- Документация
- Чертёж
| Модель | HSN6451-40-40P |
| Бренд | BITZER |
| Код заказа | HSN6451-40-40P |
| Тип | Винтовой |
| Тип (серия) | HSN |
| Режим работы | Низкотемпературный |
| Хладагент | HFC |
| Вид упаковки | Коробка (картон с деревянным поддоном) |
| Заменяемый артикул, альтернативный или предыдущий код заказа | HSN6451-40 |
Компрессор полугерметичный винтовой HSN6451-40-40P в комплектации:
DSV D 42L - Запорный вентиль на нагнетании / Discharge Shut-off Valve D42L-1 5/8"ECO ASV - Адаптер и запорный вентиль для подключения экономайзера / Adapter & Shut-off Valve for Economiser Connection
Bitzer HSN6451-40-40P Компрессор полугерметичный винтовой
ТЕХНИЧЕСКИЕ ХАРАКТЕРИСТИКИ HSN6451-40-40P
| SI | IP | |
| Объемная произв-сть (2900об/мин 50 Гц) | 140 m³/h | 82 CFM |
| Объемная произв-сть (3500об/мин 60 Гц) | 168 m³/h | 99 CFM |
| Вес | 234 kg | 516 lb |
| Макс. избыточное давление (НД/ВД) | 19 / 28 bar | 275 / 400 psi |
| Присоединение линии всасывания | 54 mm - 2 1/8'' | 54 mm - 2 1/8'' |
| Присоединение линии нагнетания | 42 mm - 1 5/8'' | 42 mm - 1 5/8'' |
| Адаптер/запорный вентиль для ЕСО | 22 mm - 7/8'' (Option) | 22 mm - 7/8'' (Option) |
| Тип масла для R22 | B150SH, B100 (Option) | B150SH, B100 (Option) |
| Тип масла для R134a/R404A/R507A/R407A/R407F | BSE170 (Option) | BSE170 (Option) |
| Тип масла для R448A/R449A | BSE170 (Option) | BSE170 (Option) |
КОМПЛЕКТ ПОСТАВКИ КОМПРЕССОРА HSN6451-40-40P
| SI | IP | |
| Класс защиты | IP54 | IP54 |
| Датчик температуры нагнетания | Standard | Standard |
| Стартовая разгрузка | Standard | Standard |
| Контроль расхода масла | SE-B2 (Standard) | SE-B2 (Standard) |
| Защита мотора | SE-E1 (Standard), SE-E3 (Standard for 660-690V) | SE-E1 (Standard), SE-E3 (Standard for 660-690V) |
| Запорный вентиль на всасывании | Standard | Standard |
| Регулирование производительности | 100-75-50% (Standard) | 100-75-50% (Standard) |
ДОСТУПНЫЕ ОПЦИИ ДЛЯ МОДЕЛИ HSN6451-40-40P
| SI | IP | |
| Запорный вентиль на нагнетании | Option | Option |
| ЕСО-присоединение с запорным вентилем | Option | Option |
| Защита мотора | SE-i1 (200-690V) | SE-i1 (200-690V) |
ПАРАМЕТРЫ МОТОРА КОМПРЕССОРА HSN6451-40-40P
| SI | IP | |
| Напряжение мотора (др. по запросу) | 380-415V PW-3-50Hz | 440-480V PW-3-60Hz UL |
| Максимальный рабочий ток | 65.0 A | 65.0 A |
| Пусковой ток (ротор блокирован) | 187.0 A D / 313.0 A DD | 187.0 A D / 313.0 A DD |
ИЗМЕРЕНИЯ ШУМОВЫХ ПАРАМЕТРОВ - МОДЕЛЬ HSN6451-40-40P
| SI | IP | |
| Уровень звуковой мощности (-35°C/40°C) @50Гц | 86,5 dB(A) | 88.5 dB(A) |
| Уровень звукового давления @1м (-35°C/40°C) @50Гц | 78,5 dB(A) | 80.5 dB(A) |
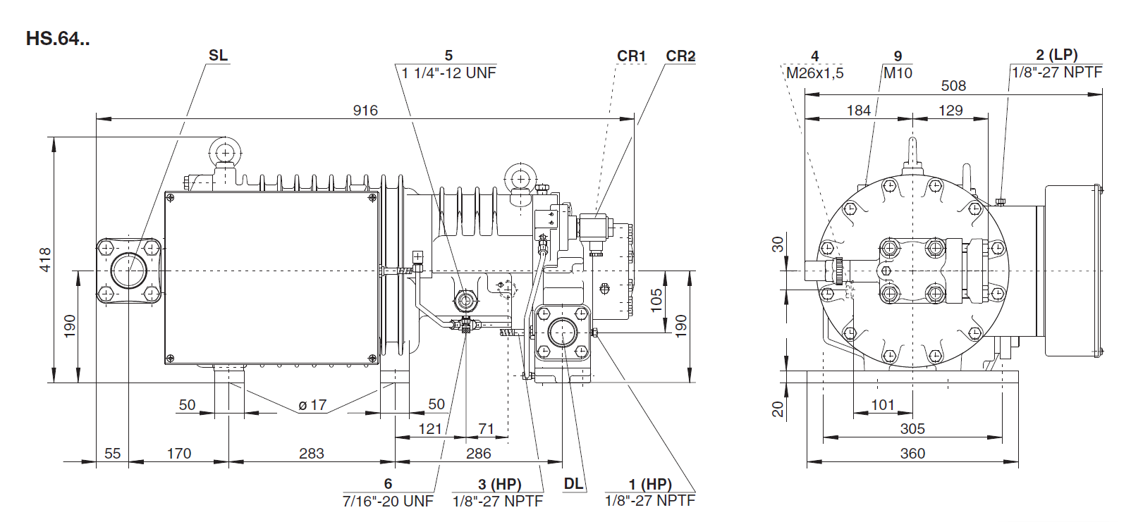
Позиции присоединений, обозначенные на чертежах
1 Присоединение высокого давления (HP)
2 Присоединение низкого давления (LP)
3 Датчик температуры нагнетаемого газа
4 Экономайзер (ECO) или впрыск жидкости (LI)
5 Впрыск масла
6 Штуцер давления масла
7 Слив масла (корпус мотора)
8 -
9 Резьбовое отверстие для крепления трубопровода (линия экономайзера или впрыска жидкости)
SL Линия всасывания
DL Линия нагнетания
