Bitzer HSN95103-280 винтовой компрессор
Розничная цена (Russian Federation)
0 ₽
Купить данный компрессор с учетом скидки можно у официальных поставщиков Bitzer в России
- Характеристики
- Описание
- Документация
- Чертёж
| Модель | HSN95103-280 |
| Бренд | BITZER |
| Код заказа | HSN95103-280 |
| Тип | Винтовой |
| Тип (серия) | HSK |
| Режим работы | Среднетемпературный |
| Хладагент | HFC |
| Заменяемый артикул, альтернативный или предыдущий код заказа | HSN95103-280(Y) |
Bitzer HSN95103-280 винтовой компрессор
ТЕХНИЧЕСКИЕ ХАРАКТЕРИСТИКИ HSN95103-280
| SI | IP | |
| Объемная произв-сть (2900об/мин 50 Гц) | 1015 m³/h | 35845 CFH |
| Объемная произв-сть (3500об/мин 60 Гц) | 1225 m³/h | 43261 CFH |
| Объемная произв-сть (маx.скорость вращения вала компр-ра) | ||
| Объемная произв-сть (мin.скорость вращения вала компр-ра) | ||
| Вес | 1100 kg | 2425 lb |
| Макс. избыточное давление (НД/ВД) | 19 / 32 bar | 275 / 465 psi |
| Присоединение линии всасывания | DN 150 | DN 150 |
| Присоединение линии нагнетания | DN 125 | DN 125 |
| Адаптер/запорный вентиль для ЕСО | DN 40 (Option) | DN 40 (Option) |
| Адаптер для впрыскивания жидкости | ||
| Тип масла для R22 | B150SH, B100 (Option) | B150SH, B100 (Option) |
| Тип масла для R134a/R404A/R507A/R407A/R407F | BSE170 (Standard) | BSE170 (Standard) |
| Тип масла для R448A/R449A |
КОМПЛЕКТ ПОСТАВКИ КОМПРЕССОРА HSN95103-280
| SI | IP | |
| Датчик температуры нагнетания | Standard | Standard |
| Стартовая разгрузка | CM-SW-01 | CM-SW-01 |
| Контроль расхода масла | OLC-D1 & CM-SW-01 | OLC-D1 & CM-SW-01 |
| Защита мотора | CM-SW-01 (Standard) | CM-SW-01 (Standard) |
| Плавное регулирование производ-сти | 100-25% (Automatic Controll) | 100-25% (Automatic Controll) |
| Класс защиты | IP54 | IP54 |
ДОСТУПНЫЕ ОПЦИИ ДЛЯ МОДЕЛИ HSN95103-280
| SI | IP | |
| Запорный вентиль на нагнетании | Option | Option |
| ЕСО-присоединение с запорным вентилем | Option | Option |
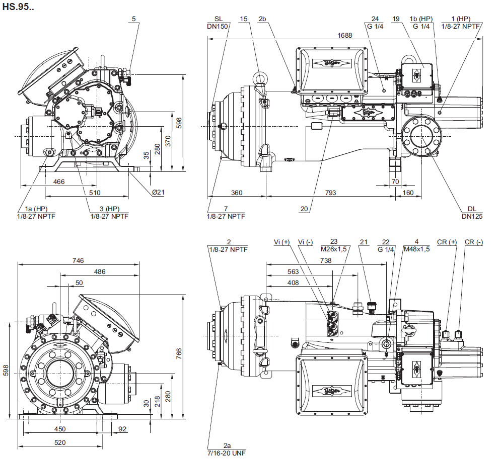
Позиции присоединений, обозначенные на чертежах
1 Присоединение высокого давления (HP)
1a Дополнительное присоединение высокого давления HP (не подходит для измерения давления!)
1b Присоединение для датчика высокого давления HP
2 Присоединение низкого давления (LP)
2a Дополнительное присоединение низкого давления HP (не подходит для измерения давления!)
2b Присоединение для датчика низкого давления HP
3 Датчик температуры нагнетания (HP)
4 Присоединение для экономайзера (ECO клапан) (опция)
5 Присоединение / клапан для впрыска масла
6 Штуцер давления масла
7 Слив масла (корпус мотора)
9 Резьбовое отверстие для крепления труб (ECO и LI)
10 Присоединение для обслуживания масляного фильтра
11 Слив масла (масляный фильтр)
12 Контроль автоматического масляного клапана
13 Контроль масляного фильтра
14 Реле протока масла
15 Болт заземления корпуса
16 Сброс давления из камеры масляного фильтра
18 Впрыск жидкости (LI)
19 Модуль компрессора
20 Индикатор положения золотника
21 Датчик уровня масла
22 Датчик давления масла
23 Присоединение для возврата масла и газа (для систем с опциональным адаптером для затопленного испарителя)
24 Доступ к ограничителю циркуляции масла
SL Линия всасывания газа
DL Линия нагнетания газа
