CSH8563-125Y-40P (SSV D89L/DSV D64L/SE-I1/OLC 230v/ECO ASV/ BSE 170 ) Компрессор полугерметичный винтовой компактный Bitzer
Розничная цена (Russian Federation)
3 153 214 ₽
Купить данный компрессор с учетом скидки можно у официальных поставщиков Bitzer в России
- Характеристики
- Описание
- Документация
- Чертёж
| Модель | CSH8563-125Y-40P |
| Бренд | BITZER |
| Код заказа | CSH8563-125Y-40P |
| Тип (Модель) | CSH8563 |
| Тип | Винтовой |
| Тип (серия) | CSH |
| Исполнение | Полугерметичный |
| Режим работы | Среднетемпературный |
| Длина (мм.) | 1 930 |
| Ширина (мм.) | 830 |
| Высота (мм.) | 900 |
CSH8563-125Y-40P (SSV D89L/DSV D64L/SE-I1/OLC 230v/ECO ASV/ BSE 170 ) Компрессор полугерметичный винтовой компактный Bitzer
Компрессор CSH8563-125Y-40P полугерметичный винтовой компактный в комплектации:
Y - заправка полуэфирным маслом Bitzer BSE 170SSV D89L - Запорный вентиль на всасывании D89L-3 1/2"
DSV D64L- Запорный вентиль на нагнетании D64L-2 5/8"(DN80)
OLC 230v - Оптико-Электронный Контроль уровня OLC-D1-S (230в, 1-50/60 Гц)
ECO ASV - Адаптер и запорный вентиль для подключения экономайзера
ТЕХНИЧЕСКИЕ ХАРАКТЕРИСТИКИ CSH8563-125Y-40P
| SI | IP | |
| Тип масла для R1234yf/R1234ze(E)/R450A/R513A | BSE170 (Option) | BSE170 (Option) |
| Тип масла для R134a/R404A/R507A/R407A/R407C/R407F | BSE170 (Option) | BSE170 (Option) |
| Объемная произв-сть (2900об/мин 50 Гц) | 359 m³/h | 12686 CFH |
| Объемная произв-сть (3500об/мин 60 Гц) | 433 m³/h | 15300 CFH |
| Вес | 860 kg | 1896 lb |
| Макс. избыточное давление (НД/ВД) | 19 / 28 bar | 275 / 400 psi |
| Присоединение линии всасывания | DN 100 | 4 1/8'' |
| Присоединение линии нагнетания | 76 mm - 3 1/8'' | 76 mm - 3 1/8'' |
| Тип масла для R1234yf/R1234ze(E)/R450A/R513A/R515B | BSE170 (Option) | BSE170 (Option) |
| Тип масла для R22 | B320SH (Standard) | B320SH (Standard) |
КОМПЛЕКТ ПОСТАВКИ КОМПРЕССОРА CSH8563-125Y-40P
| SI | IP | |
| Класс защиты | IP54 | IP54 |
| Заправка масла | 22,0 dm³ | 774.3 fl oz |
| Подогреватель масла | 300 W (Standard) | 300 W (Standard) |
| Маслоотделитель | Standard | Standard |
| Масляный фильтр | Standard | Standard |
| Датчик температуры нагнетания | Standard | Standard |
| Стартовая разгрузка | Standard | Standard |
| Регулирование производ-сти 4-х-ступ. | 100-75-50-25% (Standard) | 100-75-50-25% (Standard) |
| Плавное регулирование производ-сти | 100-25% (Standard) | 100-25% (Standard) |
| Встроеный обратный клапан | Standard | Standard |
| Защита мотора | SE-E1 (Standard), SE-E3(Standard for 660-690V) | SE-E1 (Standard), SE-E3(Standard for 660-690V) |
ДОСТУПНЫЕ ОПЦИИ ДЛЯ МОДЕЛИ CSH8563-125Y-40P
| SI | IP | |
| Датчик уровня масла | min / max OLC-D1-S (Option) | min / max OLC-D1-S (Option) |
| Запорный вентиль на нагнетании | Option | Option |
| с шумогасящим кожухом | Option | Option |
| Запорный вентиль на всасывании | Option | Option |
| Запорный вентиль на линии экономайзера с шумоглушителем | Option | Option |
| Впрыск жидкости со встроенным соплом | Option | Option |
| Мостики для прямого старта | Option | Option |
| Антивибрационные демпферы | Option | Option |
| Защита мотора | SE-i1 (200-690V) | SE-i1 (200-690V) |
ПАРАМЕТРЫ МОТОРА КОМПРЕССОРА CSH8563-125Y-40P
| SI | IP | |
| Напряжение мотора (др. по запросу) | 380-415V PW-3-50Hz | 440-480V PW-3-60Hz UL |
| Максимальный рабочий ток | 216.0 A | 216.0 A |
| Соотношение обмоток | 50/50 | 50/50 |
| Пусковой ток (ротор блокирован) | 612.0 A D / 943.0 A DD | 663.0 A D / 958.0 A DD |
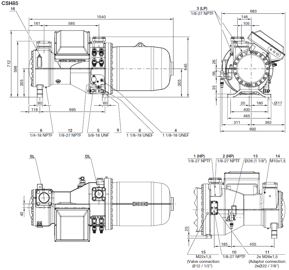
Позиции присоединений, обозначенные на чертежах
1 Присоединение высокого давления (HP)
2 Дополнительное присоединение высокого давления
3 Присоединение низкого давления (LP)
4 Смотровое стекло уровня масла
5 Сервисный масляный клапан (стандарт) / присоединение для выравнивания уровня масла (параллельная работа)
6 Слив масла (корпус мотора)
8 Присоединение для опционального оптико-электронного реле уровня масла (OLC-D1-S)
9 Подогреватель масла в гильзе
10 Присоединение давления масла
11 Присоединение для внешнего маслоохладителя (опциональный адаптер)
12 Датчик температуры масла (PTC)
13 Присоединение для экономайзера (ECO) - опциональный запорный клапан с гасителем пульсаций
14 Резьба для поддерживающей скобы трубопровода (линия для ECO или LI)
15 Присоединение для впрыска жидкости (LI) - опциональный запорный клапан
16 Винт заземления для корпуса
SL Линия всасывания
DL Линия нагнетания
