CSH9573-180Y-40D (SSV D108L/DSV D76L/SE-I1/OLC 230v//ECO//VD) Компрессор Bitzer винтовой компактный
Розничная цена (Russian Federation)
4 790 552 ₽
Купить данный компрессор с учетом скидки можно у официальных поставщиков Bitzer в России
- Характеристики
- Описание
- Документация
- Чертёж
| Модель | CSH9573-180Y-40D |
| Бренд | BITZER |
| Код заказа | CSH9573-180Y-40D |
| Тип (Модель) | CSH9573 |
| Тип | Винтовой |
| Тип (серия) | CSH |
| Исполнение | Полугерметичный |
| Режим работы | Среднетемпературный |
| Длина (мм.) | 2 030 |
| Ширина (мм.) | 930 |
| Высота (мм.) | 1 060 |
Компрессор полугерметичный винтовой компактный CSH9573-180Y-40D в комплектации:
Y - заправка полуэфирным маслом Bitzer BSE 170 / Ester Oil Charge BSE 170SSV D108L - Запорный вентиль на всасывании / Suction Shut-off Valve D108L
DSV D76L - Запорный вентиль на нагнетании / Discharge Shut-off Valve D76L-3 1/8"
SE-I1 - прибор защиты
OLC 230v - Оптико-Электронный Контроль уровня OLC-D1-S (230в, 1-50/60 Гц) / Opto Electronic Oil Level Control OLC-D1-S (230V, 1-50/60 Hz)
ECO ASV - Адаптер и запорный вентиль для подключения экономайзера / Adapter & Shut-off Valve for Economiser Connection
VD - Комплект виброопор / Vibration Dampers
ТЕХНИЧЕСКИЕ ХАРАКТЕРИСТИКИ CSH9573-180Y-40D
| SI | IP | |
| Тип масла для R1234yf/R1234ze(E)/R450A/R513A | BSE170 (Standard) | BSE170 (Standard) |
| Тип масла для R134a/R404A/R507A/R407A/R407C/R407F | BSE170 (Standard) | BSE170 (Standard) |
| Объемная произв-сть (2900об/мин 50 Гц) | 700 m³/h | 24720 CFH |
| Объемная произв-сть (3500об/мин 60 Гц) | 845 m³/h | 29835 CFH |
| Вес | 1290 kg | 2844 lb |
| Макс. избыточное давление (НД/ВД) | 19 / 28 bar | 275 / 400 psi |
| Присоединение линии всасывания | DN 100 | 4 1/8'' |
| Присоединение линии нагнетания | 76 mm - 3 1/8'' | 76 mm - 3 1/8'' |
| Тип масла для R1234yf/R1234ze(E)/R450A/R513A/R515B | BSE170 (Standard) | BSE170 (Standard) |
КОМПЛЕКТ ПОСТАВКИ КОМПРЕССОРА CSH9573-180Y-40D
| SI | IP | |
| Класс защиты | IP54 | IP54 |
| Заправка масла | 30,0 dm³ | 1055 fl oz |
| Подогреватель масла | 300 W (Standard) | 300 W (Standard) |
| Маслоотделитель | Standard | Standard |
| Масляный фильтр | Standard | Standard |
| Датчик температуры нагнетания | Standard | Standard |
| Стартовая разгрузка | Standard | Standard |
| Регулирование производ-сти 4-х-ступ. | 100-75-50-25% (Standard) | 100-75-50-25% (Standard) |
| Плавное регулирование производ-сти | 100-25% (Standard) | 100-25% (Standard) |
| Встроеный обратный клапан | Standard | Standard |
| Защита мотора | SE-E1 (Standard), SE-E3(Standard for 660-690V) | SE-E1 (Standard), SE-E3(Standard for 660-690V) |
ДОСТУПНЫЕ ОПЦИИ ДЛЯ МОДЕЛИ CSH9573-180Y-40D
| SI | IP | |
| Датчик уровня масла | min / max OLC-D1-S (Option) | min / max OLC-D1-S (Option) |
| Запорный вентиль на нагнетании | Option | Option |
| с шумогасящим кожухом | Option | Option |
| Запорный вентиль на всасывании | Option | Option |
| Запорный вентиль на линии экономайзера с шумоглушителем | Option | Option |
| Впрыск жидкости со встроенным соплом | Option | Option |
| Мостики для прямого старта | Option | Option |
| Антивибрационные демпферы | Option | Option |
| Защита мотора | SE-i1 (200-690V) | SE-i1 (200-690V) |
ПАРАМЕТРЫ МОТОРА КОМПРЕССОРА CSH9573-180Y-40D
| SI | IP | |
| Напряжение мотора (др. по запросу) | 380-415V D-3-50Hz | 440-480V D-3-60Hz UL |
| Пусковой ток (ротор блокирован) | 465.0 A Y / 1442.0 A D | 472.0 A Y / 1473.0 A D |
| Максимальный рабочий ток | 310.0 A | 310.0 A |
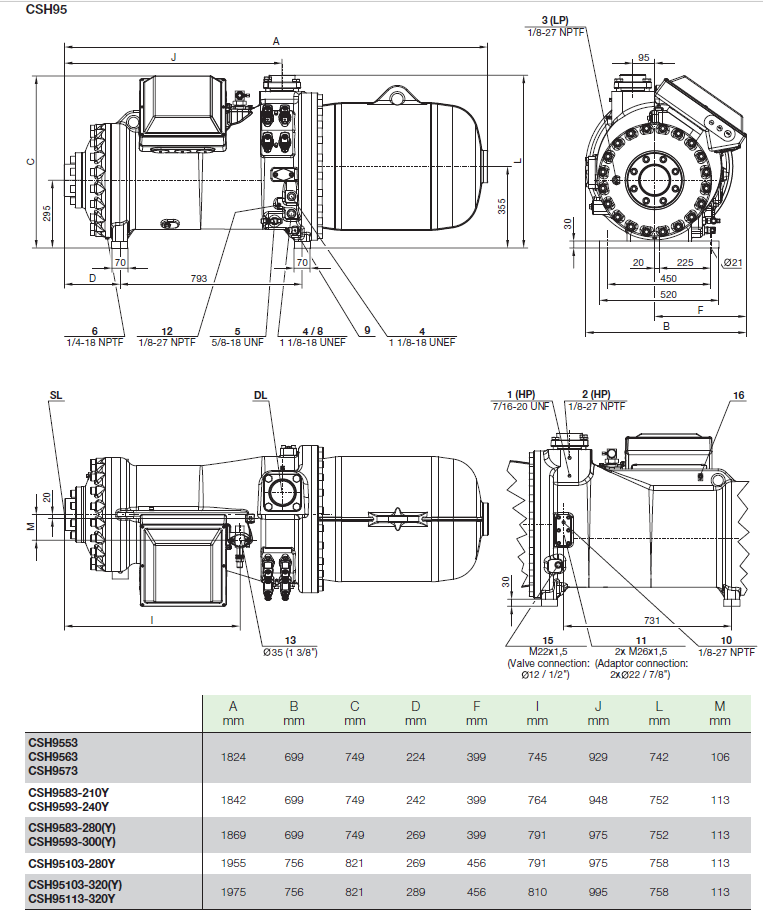
Позиции присоединений, обозначенные на чертежах
1 Присоединение высокого давления (HP)
2 Дополнительное присоединение высокого давления
3 Присоединение низкого давления (LP)
4 Смотровое стекло уровня масла
5 Сервисный масляный клапан (стандарт) / присоединение для выравнивания уровня масла (параллельная работа)
6 Слив масла (корпус мотора)
8 Присоединение для опционального оптико-электронного реле уровня масла (OLC-D1-S)
9 Подогреватель масла в гильзе
10 Присоединение давления масла
11 Присоединение для внешнего маслоохладителя (опциональный адаптер)
12 Датчик температуры масла (PTC)
13 Присоединение для экономайзера (ECO) - опциональный запорный клапан с гасителем пульсаций
14 Резьба для поддерживающей скобы трубопровода (линия для ECO или LI)
15 Присоединение для впрыска жидкости (LI) - опциональный запорный клапан
16 Винт заземления для корпуса
SL Линия всасывания
DL Линия нагнетания
