HSN8591-160-40P (SSV D105L // DSV D76L // ECO ASV // VD) Компрессор полугерметичный винтовой Bitzer
Розничная цена (Russian Federation)
3 561 221 ₽
Купить данный компрессор с учетом скидки можно у официальных поставщиков Bitzer в России
- Характеристики
- Описание
- Документация
- Чертёж
| Модель | HSN8591-160-40P |
| Бренд | BITZER |
| Код заказа | HSN8591-160-40P (SSV D108L // DSV D76L // ECO ASV // VD) |
| Тип | Винтовой |
| Тип (серия) | HSN |
| Исполнение | Полугерметичный |
| Режим работы | Низкотемпературный |
| Хладагент | HFC |
| Количество в упаковке (шт.) | 1 |
| Длина (мм.) | 1 330 |
| Ширина (мм.) | 730 |
| Высота (мм.) | 960 |
| Вес брутто (кг.) | 680 |
| Вид упаковки | Коробка (картон с деревянным поддоном) |
Bitzer HSN8591-160-40P Компрессор полугерметичный винтовой в комплектации:
Опции в комплекте:SSV D108L - Запорный вентиль на всасывании
DSV D76L - Запорный вентиль на нагнетании
ECO ASV - ЕСО-присоединение с запорным вентилем (36133012 Адаптер экономайзера, опция для компрессоров Bitzer)
VD - Виброопоры
ТЕХНИЧЕСКИЕ ХАРАКТЕРИСТИКИ HSN8591-160-40P
| SI | IP | |
| Объемная произв-сть (2900об/мин 50 Гц) | 535 m³/h | 18893 CFH |
| Объемная произв-сть (3500об/мин 60 Гц) | 646 m³/h | 22672 CFH |
| Вес | 680 kg | 1499 lb |
| Макс. избыточное давление (НД/ВД) | 19 / 28 bar | 275 / 400 psi |
| Присоединение линии всасывания | DN 100 | ODS 4 1/8'' |
| Присоединение линии нагнетания | 76 mm - 3 1/8'' | 76 mm - 3 1/8'' |
| Адаптер/запорный вентиль для ЕСО | 28 mm - 1 1/8'' (Option) | 28 mm - 1 1/8'' (Option) |
| Тип масла для R22 | B150SH, B100 (Option) | B150SH, B100 (Option) |
| Тип масла для R134a/R404A/R507A/R407A/R407F | BSE170 (Option) | BSE170 (Option) |
| Тип масла для R448A/R449A | BSE170 (Option) | BSE170 (Option) |
КОМПЛЕКТ ПОСТАВКИ КОМПРЕССОРА HSN8591-160-40P
| SI | IP | |
| Класс защиты | IP54 | IP54 |
| Датчик температуры нагнетания | Standard | Standard |
| Стартовая разгрузка | Standard | Standard |
| Контроль расхода масла | SE-B2 (Standard) | SE-B2 (Standard) |
| Защита мотора | SE-E1 + SE-B2 (Standard), SE-E3 (Standard for 660-690V) | SE-E1 + SE-B2 (Standard), SE-E3 (Standard for 660-690V) |
| Регулирование производительности | 100-75-50% or 100-50% (Standard) | 100-75-50% or 100-50% (Standard) |
ДОСТУПНЫЕ ОПЦИИ ДЛЯ МОДЕЛИ HSN8591-160-40P
| SI | IP | |
| Запорный вентиль на всасывании | Option | Option |
| Запорный вентиль на нагнетании | Option | Option |
| ЕСО-присоединение с запорным вентилем | Option | Option |
| Защита мотора | SE-i1 (200-690V) | SE-i1 (200-690V) |
ПАРАМЕТРЫ МОТОРА КОМПРЕССОРА HSN8591-160-40P
| SI | IP | |
| Напряжение мотора (др. по запросу) | 380-415V PW-3-50Hz | 440-480V PW-3-60Hz |
| Максимальный рабочий ток | 274.0 A | 274.0 A |
| Пусковой ток (ротор блокирован) | 729.0 A D / 1114.0 A DD | 729.0 A D / 1114.0 A DD |
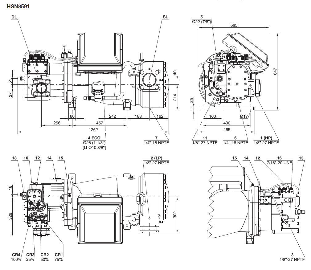
Позиции присоединений, обозначенные на чертежах
1 Штуцер высокого давления (HP)
2 Штуцер низкого давления (LP)
3 Датчик температуры нагнетания (HP)
4 Экономайзер (ECO) с трубкой присоединения (опция)
5 Впрыск масла
6 Пробка слива масла (корпус компрессора)
7 Пробка слива масла (корпус эл. двигателя)
10 Масляный фильтр
11 Пробка слива масла из фильтра
12 Контроль автоматического масляного клапана
13 Контроль масляного фильтра
14 Реле протока масла
15 Болт заземления корпуса
16 Сброс давления из камеры масляного фильтра
SL Линия всасывания газа
DL Линия нагнетания газа
